Preparation of microporous activated carbons based on carbonized apricot shells
Abstract
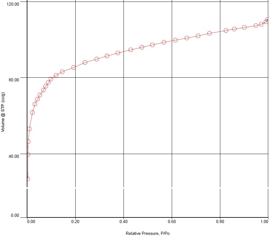
Results of applying the method of thermo-oxidative modification of fiber, based on the shell of apricot along with producing on its base microporous activated carbons that have high specific surface area and a significant amount of micropores were presented. The paper contains analysis and interpretation data of changes in the structure and composition of samples, which occurring as a result of thermal degradation of lignocellulosic materials. Morphological features of the surface of produced activated carbons were studied by using SEM microscopy; the pore structure and specific surface area were investigated using the method of low-temperature nitrogen adsorption.
References
1 Mansurova RM (2001) Physical Chemical Basics of the Synthesis of Carbon-Containing Compositions [Fiziko-himicheskie osnovy sinteza uglerodsoderzhaschih kompozitsiy]. XXI Century, Almaty, Kazakhstan. ISBN 9965-490-37-6 (In Russian)
2 Mansurov ZA, Zhylybaeva NK, Tazhkenova GK, Ryabikin YuA, Shabanova TA, Mansurova RM (2003) Carbonized sorbents on the basis of walnut shells, grape kernels and apricot stones. Proceedings of International Conference “Carbon”, Oviedo, Spain. P.70.
3 Mansurov ZA (2010) Carbon nanostructured materials based on plant raw materials [Uglerodnyie nanostrukturirovannyie materialy na osnove rastitelnogo syrya]. Kazak Universitety, Almaty, Kazakhstan. ISBN 9965-29-572-7 (In Russian)
4 Azat S, Pavlenko VV, Kerimkulova AR, Mansurov ZA (2012) Adv Mat Res 535-537:1041-1045. http://dx.doi.org/10.4028/www.scientific.net/AMR.535-537.1041
5 Fenelonov VB (2004) Introduction to Physical Chemistry of Formation of Supramolecular Structure of Adsorbents and Catalysts [Vvedenie v fizicheskuyu himiyu formirovaniya supramolekulyarnoy strukturyi adsorbentov i katalizatorov], Second edition. SO RAN, Novosibirsk, Russia. ISBN: 5-7692-0647-0 (In Russian)
6 Keltsev NV (1976) Basics of Adsorption Technique [Osnovy adsorbtsionnoy tehniki]. Himiya, Moscow, USSR. (In Russian)
7 Lua AC, Yang T (2005) J Colloid Interf Sci 290:505-513. http://dx.doi.org/10.1016/j.jcis.2005.04.063
8 Kazitsyina LA, Kupletskaya NB (1979) Application of UV, IR, NMR and Mass Spectroscopy in Organic Chemistry [Primenenie UF, IK, YaMR i mass-spektroskopii v organicheskoy himii]. MSU, Moscow, USSR. (In Russian)
9 Mironov VA, Yankovskiy SA (1985) Spectroscopy in Organic Chemistry [Spektroskopiya v organicheskoy himii]. Himiya, Moscow, USSR. (In Russian)
10 Demirbas E, Kobya M, Sulak MT (2008) Bioresource Technol 99:5368–5373. http://dx.doi.org/10.1016/j.biortech.2007.11.019
11 Sentorun-Shalaby C, Ucak-Astarlioglu MG, Artok L, Sarici C (2006) Micropor Mesopor Mat 88:126-134. http://dx.doi.org/10.1016/j.micromeso.2005.09.003
This work is licensed under a Creative Commons Attribution-NonCommercial-NoDerivatives 4.0 International License.
Authors retain copyright and grant the journal right of first publication with the work simultaneously licensed under a Creative Commons Attribution License (CC BY-NC-ND 4.0) that allows others to share the work with an acknowledgement of the work's authorship and initial publication in this journal.






